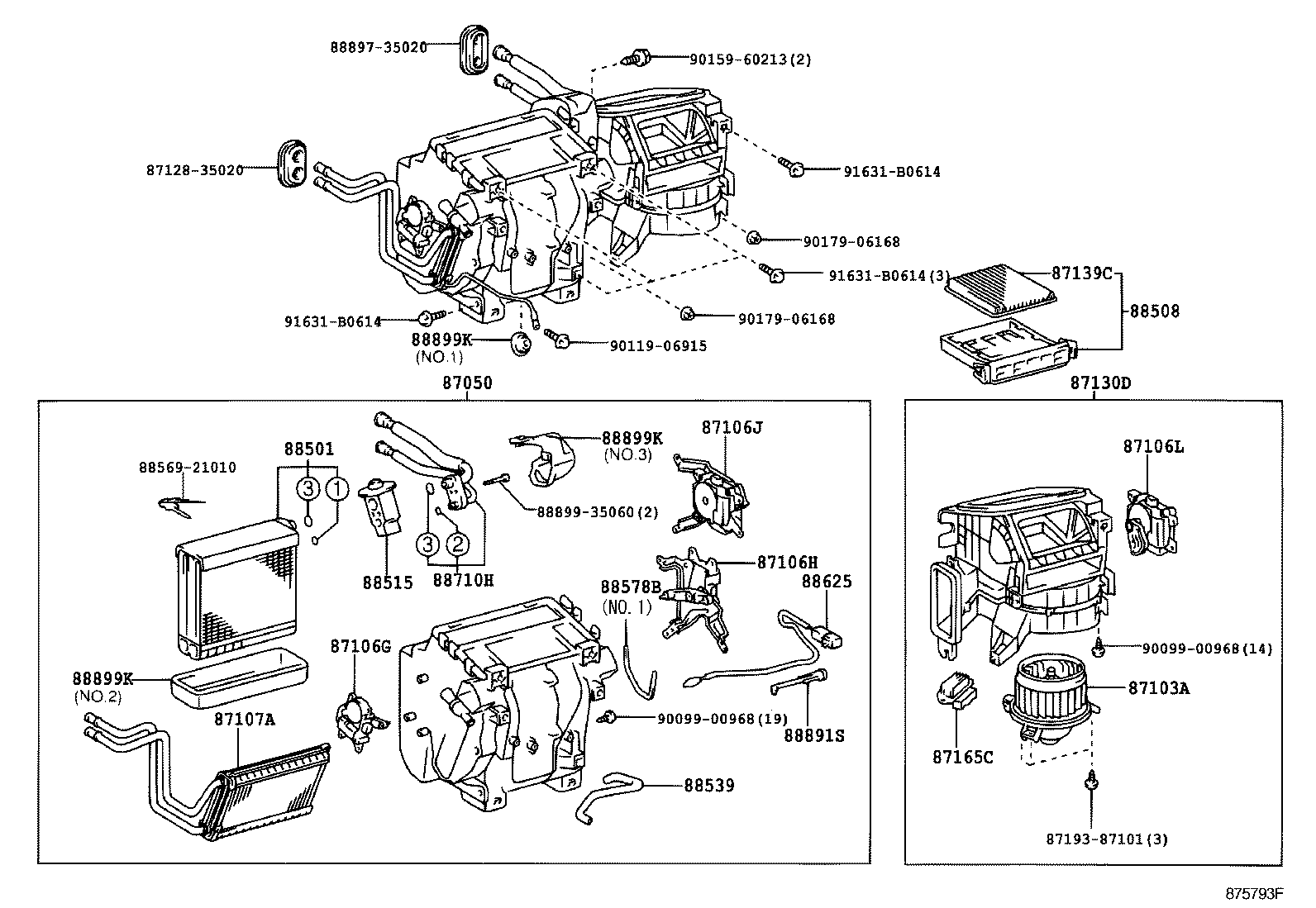
| 87050 | مجموعه رادیاتور سیستم تهویه | ||
| 8705060171 | جزئیات | ||
| 8705060190 | جزئیات | ||
| 8705060031 | جزئیات | ||
| 8705060180 | جزئیات | ||
| 8705060320 | جزئیات | ||
| 8705060050 | جزئیات | ||
| 87130D | مجموعه دمنده هوای بخاری و کولر به داخل اتاق | ||
| 8713035150 | جزئیات | ||
| 8713060490 | جزئیات | ||
| 8713035151 | جزئیات | ||
| 8713060540 | جزئیات | ||
| 8713060561 | جزئیات | ||
| 8713060541 | جزئیات | ||
| 8713060560 | جزئیات | ||
| 88501 | اواپراتور | ||
| 8850160300 | جزئیات | ||
| 8850135130 | جزئیات | ||
| 8850160430 | جزئیات | ||
| 87107A | رادیاتور بخاری | ||
| 8710735100 | جزئیات | ||
| 87103A | MOTOR SUB-ASSY, COOLING UNIT, W/FAN | ||
| 8710335060 | جزئیات | ||
| 8710360330 | جزئیات | ||
| 87165C | کامپیوتر کنترل فن بخاری | ||
| 8716513010 | جزئیات | ||
| 87106H | SERVO SUB-ASSY, DAMPER(FOR AIRMIX) | ||
| 8710635180 | جزئیات | ||
| 87106J | SERVO SUB-ASSY, DAMPER(FOR MODE) | ||
| 8710635120 | جزئیات | ||
| 88515 | شیر گاز | ||
| 8851560120 | جزئیات | ||
| 8851560190 | جزئیات | ||
| 8851560150 | جزئیات | ||
| 87106G | SERVO SUB-ASSY, DAMPER(FOR BLOWER) | ||
| 8710635170 | جزئیات | ||
| 88508 | مجموعه فیلتر اتاق | ||
| 8850860011 | جزئیات | ||
| 8850820120 | جزئیات | ||
| 87106L | SERVO SUB-ASSY, DAMPER | ||
| 8710660170 | جزئیات | ||
| 8710635150 | جزئیات | ||
| 88710H | لوله کندانسور کولر | ||
| 8871035520 | جزئیات | ||
| 8871035650 | جزئیات | ||
| 8871035640 | جزئیات | ||
| 87139C | فیلتر تهویه اتاق | ||
| 8713947010 | جزئیات | ||
| 8713932010 | جزئیات | ||
| 88899K | PLATE, COVER | ||
| 8889960250 | جزئیات | ||
| 888993A010 | جزئیات | ||
| 8889960260 | جزئیات | ||
| 88625 | ترمیستور کولر | ||
| 8862535090 | جزئیات | ||
| 8862560190 | جزئیات | ||
| 88539 | HOSE, COOLER UNIT DRAIN, NO.1 | ||
| 8853935030 | جزئیات | ||
| 88578B | PACKING, COOLING UNIT, NO.1 | ||
| 8857835170 | جزئیات | ||
| 88891S | COVER, COOLER, NO.1 | ||
| 8889135050 | جزئیات | ||